



J24H-40C-64C-160C-320C外螺紋角式針型閥
J24H-40C-64C-160C-320C外螺紋角式針型閥是由外螺紋連接,適用于油﹑水﹑氣等多種非腐蝕性或腐蝕性介質,適用于-29℃~+440℃ -70℃~-240℃ ≤540℃ ≤570℃。比其他類型的閥門,針型閥具有更好的密封性能和耐受壓力的能力,一般用于較小流量,較高壓力的氣體或者液體介質的密封,最合適與與壓力表配合。
| 產品名稱: | 外螺紋角式針型閥 | 產品型號: | J24H-40C-64C-160C-320C |
| 公稱通徑: | DN20~DN400 | 結構形式: | 角式 |
| 公稱壓力: | 1.6MPa~32.0MPa | 連接方式: | 外螺紋 |
| 適用溫度: | -40ºC~+540ºC | 驅動方式: | 手動(一字形手柄或菊花形手輪) |
| 閥體材質: | 鑄鋼、不銹鋼 | 制造標準: | 國標GB、德國DIN、美國API、ANSI |
| 適用介質: | 水、油、蒸汽、空氣等氣體 | 生產廠家: | 上海凱利科閥門有限公司 |
|
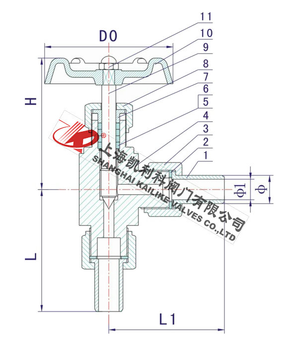
序號 NO. |
零件名稱 Part name |
材質 Material |
| 1 | 焊接接管 Weld tube | 20# A105 SS304 SS304L SS316 SS316L |
| 2 | 平墊圈Plain washer | PTFE RTFE |
| 3 | 連接螺母 Connector Nut | 20# A105 SS304 SS304L SS316 SS316L |
| 4 | 閥體 Body | 20# A105 SS304 SS304L SS316 SS316L |
| 5 | 填料墊 Packing Seat |
PTFE 柔性石墨(Expanded Graphite) 金屬盤根(Matel and Graphite) |
| 6 | 填料 Packing | PTFE 柔性石墨(Expanded Graphite) |
| 7 | 填料壓蓋 Packing Gland | 20# A105 SS304 SS304L SS316 SS316L |
| 8 | 鎖緊螺母 Lock Nut | 20# A105 SS304 SS304L SS316 SS316L |
| 9 | 閥桿 Stem | 20# A105 SS304 SS304L SS316 SS316L |
| 10 | 手輪 Handle | 20# A105 SS304 SS304L SS316 SS316L |
| 11 | 帶帽螺母 Hooded Nut | 20# A105 SS304 SS304L SS316 SS316L |
|
型號 Type |
公稱壓力(MPa)Nominal pressure | 試驗壓力(MPa)Test pressure | 工作壓力(MPa)Working pressure | 工作溫度(℃)Working temperature |
適用介質 Applicable mediun |
||
|
殼體 Shell |
密封(液) Seal |
密封(氣) Seal |
|||||
| J24H-16 | 1.6 | 2.4 | 1.76 | 0.6 | 1.6 | P<540℃ | 液化石油氣水、酸、蒸汽、油品等Petroleun gas Water,Asic,Steam,Oil etc. |
| J24H-40P | 4.0 | 6.0 | 4.4 | 0.6 | 4.0 | ||
| J24H-160 | 16.0 | 24.0 | 17.6 | 0.6 | 16.0 | C<425℃ | |
| J24H-320P | 32.0 | 48.0 | 35.2 | 0.6 | 32.0 | ||
| 型號 |
公稱通徑 DN Nominal bore |
ø | ø1 | L1 | L | H | D0 |
| J24H-40C-64C-160C-320C | DN6 | ø14 | ø12 | 60 | 66 | 76 | 70(60) |
| J24H-40C-64C-160C-320C | DN10 | ø18 | ø14 | 60 | 66 | 76 | 80(60) |
| J24H-40C-64C-160C-320C | DN15 | ø22 | ø17 | 65 | 71 | 81 | 80(70) |
| J24H-40C-64C-160C-320C | DN20 | ø28 | ø19 | 67 | 73 | 110 | 110(80) |
| J24H-40C-64C-160C-320C | DN25 | ø33 | ø22 | 73 | 79 | 130 | 130(100) |
聲明:【J24H-40C-64C-160C-320C外螺紋角式針型閥】規格型號、結構尺寸由上海凱利科閥門有限公司提供,如何選擇適用的J24H-40C-64C-160C-320C外螺紋角式針型閥產品,使之在工藝控制中安全可靠、經濟適用,可致電我司銷售部門及技術部門,我們將在最短的時間內為您解答! |